- Home
- Torsional Highflex Couplings
- Torsional Highflex Couplings TNR 2425.2
Key Characteristics of the Torsional Highflex Couplings TNR 2425.2
The Torsional Highflex Couplings TNR 2425.2 by RINGFEDER® feature a double-row torsional highflex design, specifically engineered for flange-shaft connections and taper lock bushing systems. It also known as "khớp nối linh hoạt TNR 2425.2".
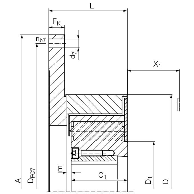
These couplings adhere to flange dimensions as specified by SAE J 620 d. Notably, the design incorporates the X1 feature, allowing for the easy replacement of elastic elements without necessitating axial movement of the coupled machines. This facilitates swift and efficient maintenance, ensuring minimal downtime and continuous operation.
- The dynamic stiffness of these couplings ranges from elastic to highly elastic, providing versatile transmission capabilities to suit various applications.
- These couplings can handle torque values from 144 Nm to 9600 Nm, making them suitable for both low and high-torque requirements.
- The operational speed of these couplings spans from 1200 rpm to 4750 rpm, ensuring they can function effectively in both low and high-speed applications.
- Additionally, these couplings are designed to operate within a temperature range of -50°C to +230°C.
Overall, the combination of dynamic stiffness, broad torque and speed ranges, and extensive temperature tolerance makes these couplings a reliable and flexible solution for numerous industrial applications.
Learn more: Torsional Highflex Couplings TNR: Flexible Solutions for Heavy Industries
Product Specifications of Torsional Highflex Couplings TNR 2425.2
| Size Coupling | Taper bushing | SAE Size | Dimensions [mm] | Gwub | ||||
| A | DPC7 | D | D1 | L | [kg] | |||
| 160.2 – 06.5 | 1615 | 6,5 | 215,9 | 200 | 160 | 73 | 71 | 3,7 |
| 160.2 – 07.5 | 1615 | 7,5 | 241,3 | 222,3 | 160 | 73 | 71 | 4 |
| 160.2 – 08.0 | 1615 | 8 | 263,5 | 244,5 | 160 | 73 | 71 | 4,3 |
| 160.2 – 10.0 | 1615 | 10 | 314,3 | 295,3 | 160 | 73 | 71 | 5,2 |
| 200.2 – 07.5 | 2012 | 7,5 | 222,3 | 213,3 | 200 | 100 | 84 | 6,8 |
| 200.2 – 08.0 | 2012 | 8 | 263,5 | 244,5 | 200 | 100 | 84 | 7,2 |
| 200.2 – 10.0 | 2012 | 10 | 314,3 | 295,3 | 200 | 100 | 84 | 8,3 |
| 200.2 – 11.5 | 2012 | 11,5 | 352,4 | 333,7 | 200 | 100 | 84 | 9,2 |
| 260.2 – 10.0 | 2517 | 10 | 314,3 | 295,3 | 260 | 129 | 104 | 15,2 |
| 260.2 – 11.5 | 2517 | 11,5 | 352,4 | 333,7 | 260 | 129 | 104 | 16,4 |
| 260.2 – 14.0 | 2517 | 14 | 466,7 | 438,2 | 260 | 129 | 104 | 20,5 |
| 260.2 – 16.0 | 2517 | 16 | 517,5 | 489 | 260 | 129 | 104 | 22,9 |
| 320.2 – 14.0 | 3535 | 14 | 466,7 | 438,2 | 320 | 165 | 132 | 30,1 |
| 320.2 – 16.0 | 3535 | 16 | 517,5 | 489 | 320 | 165 | 132 | 32,7 |
| 320.2 – 18.0 | 3535 | 18 | 571,5 | 542,9 | 320 | 165 | 132 | 35,7 |
| 400.2 – 16.0 | 4040 | 16 | 517,5 | 489 | 400 | 208 | 162 | 57,1 |
| ... | ... | ... | ... | ... | ... | ... | ... | ... |
Why Choose Ringfeder Torsional Highflex Couplings TNR 2425.2?
Ringfeder TNR 2425.2 allows flexible adjustment of the stiffness of the rubber ring for smooth operation and vibration-optimized operation of the entire drive system. The coupling stiffness and damping rubber are adapted to the respective drive conditions by specific selection and combination of suitable elastomeric damping rubbers.
The coupling mounted between the engine and the transfer case is suitable for construction machines such as excavators, cranes, crushers or wheel loaders.
Learn more: Ringfeder TNR Torsional Highflex Couplings for Diesel Engine and Generator Applications
Dai Hong Phat Corp specializes in the supply of genuine Ringfeder TNR 2424.1 Couplings throughout Vietnam.
We proudly extend our services to several other countries in the region. With over 15 years of experience in providing transmission solutions, we are committed to offering our customers the best possible experience.
Our dedication to providing high-quality, genuine products ensures that clients receive reliable and efficient solutions. We also emphasize attentive and professional service to meet the needs and expectations of our valued customers. Trust Dai Hong Phat Corp for all your transmission requirements, knowing you are in capable and experienced hands.
---------------------------------------------------------------------------------------
Contact Dai Hong Phat Corp today to learn more!!
Website: https://ringfeder.com.vn/ - https://daihongphat.asia/
Hotline: 0906 955 057 | Zalo: +84906 955 057
Email: info@dhp-corp.com.vn
Facebook Ringfeder Vietnam: https://www.facebook.com/ringfedervietnam/
Facebook Dai Hong Phat Corp: https://www.facebook.com/khopnoitrucdaihongphat
Featured Products

