- Home
- Torsional Highflex Couplings
- Torsional Highflex Couplings TNR 2424.2
Key Characteristics of the Torsional Highflex Couplings TNR 2424.2
The Torsional Highflex Couplings TNR 2424.2 by RINGFEDER® feature a double-row torsional highflex design, specifically tailored for flange-shaft connections.
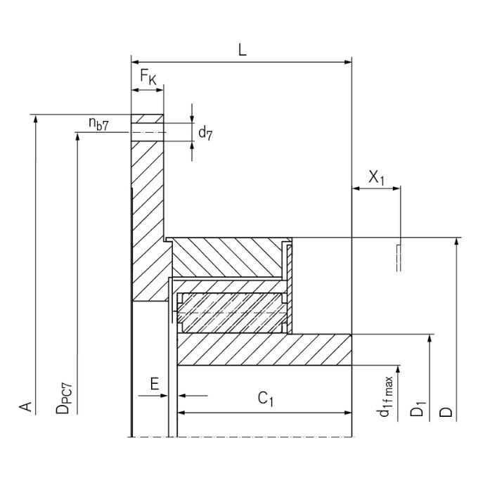
These couplings adhere to the flange connecting dimensions as per SAE J 620 d standards. Notably, the design includes the X1 feature, enabling the easy replacement of the elastic buffers without requiring any axial movement of the coupled machines. This ensures swift maintenance and continuous operation with minimal downtime.
- The dynamic stiffness of these couplings is designed to range from elastic to highly elastic, offering adaptable transmission capabilities that can cater to various operational demands.
- With a torque capacity spanning from 144 Nm to 9600 Nm, these couplings are well-suited for both low and high-torque applications, ensuring reliable performance across different industrial settings.
- The operational speed range of 1200 rpm to 4750 rpm allows these couplings to function effectively in both low and high-speed scenarios.
- Additionally, these couplings are built to operate within a broad temperature range of -50°C to +230°C.
- Overall, the combination of dynamic stiffness, extensive torque and speed ranges, and broad temperature tolerance makes these couplings a reliable and flexible solution for numerous industrial applications, ensuring optimal performance and durability.
Product Specifications of Torsional Highflex Couplings TNR 2424.2
TNR 2424.2 Catalogue | TNR 2424.2 Installation Instruction |
![]() | ![]() |
Size Coupling | Taper bushing | SAE size | Dimensions [mm] | Gwub | ||||
A | L | DPC7 | D | D1 | [kg] | |||
160.2 – 06.5 | 6,5 | 50 | 215,9 | 86 | 200 | 160 | 73 | 5 |
160.2 – 07.5 | 7,5 | 50 | 241,3 | 86 | 222,3 | 160 | 73 | 5,3 |
160.2 – 08.0 | 8 | 50 | 263,5 | 86 | 244,5 | 160 | 73 | 5,6 |
160.2 – 10.0 | 10 | 50 | 314,3 | 86 | 295,3 | 160 | 73 | 6,5 |
200.2 – 07.5 | 7,5 | 70 | 222,3 | 115 | 213,3 | 200 | 100 | 10,1 |
200.2 – 08.0 | 8 | 70 | 263,5 | 115 | 244,5 | 200 | 100 | 10,5 |
200.2 – 10.0 | 10 | 70 | 314,3 | 115 | 295,3 | 200 | 100 | 11,6 |
200.2 – 11.5 | 11,5 | 70 | 352,4 | 115 | 333,7 | 200 | 100 | 12,5 |
260.2 – 10.0 | 10 | 90 | 314,3 | 147 | 295,3 | 260 | 129 | 21,9 |
260.2 – 11.5 | 11,5 | 90 | 352,4 | 147 | 333,7 | 260 | 129 | 23,2 |
260.2 – 14.0 | 14 | 90 | 466,7 | 147 | 438,2 | 260 | 129 | 27,3 |
260.2 – 16.0 | 16 | 90 | 517,5 | 147 | 489 | 260 | 129 | 29,7 |
320.2 – 14.0 | 14 | 115 | 466,7 | 177 | 438,2 | 320 | 165 | 47,4 |
320.2 – 16.0 | 16 | 115 | 517,5 | 177 | 489 | 320 | 165 | 50,5 |
320.2 – 18.0 | 18 | 115 | 571,5 | 177 | 542,9 | 320 | 165 | 56,9 |
.... | .... | .... | ... | ... | ... | ... | ... | ... |
Why Choose Ringfeder Torsional Highflex Couplings TNR 2424.2?
The Ringfeder TNR 2424.2 coupling is specifically designed and optimized for internal combustion engines. These applications often face dynamic disturbances due to periodic excitation and the utilization of a wide speed range. To address these issues, the coupling deliberately adjusts its stiffness to shift unavoidable resonances, ensuring smooth and reliable performance in demanding environments.
The Ringfeder TNR 2424.2 is specially designed and optimized for use primarily in internal combustion engines. In these applications, vibrations are caused by periodic excitation and a large speed range is used. Therefore, it is necessary to change the inevitable resonances by deliberately adjusting the stiffness.
Dai Hong Phat Corp is the authorized representative of Ringfeder Germany in Vietnam
Dai Hong Phat Corp is the importer and distributor of all 100% genuine coupling products of the Ringfeder brand throughout Vietnam and Southeast Asia.
Dai Hong Phat Corp commits to more than 10 years of prestige, ensuring that customers buy 100% genuine Ringfeder TNR 2424.2 coupling products with high quality and the best price on the market.
---------------------------------------------------------------------------------------
Contact Dai Hong Phat Corp today to learn more!!
🌐 Website: https://ringfeder.com.vn/ - https://daihongphat.asia/
📞 Hotline: 0906 955 057 | Zalo: +84906 955 057
📧 Email: info@dhp-corp.com.vn
Facebook Ringfeder Vietnam: https://www.facebook.com/ringfedervietnam/
Facebook Dai Hong Phat Corp: https://www.facebook.com/khopnoitrucdaihongphat
Featured Products

