- Home
- Couplings
- Gear Couplings TNZ ZCHUU
Key Characteristics of the Gear Couplings TNZ ZCHUU
Ringfeder TNZ ZCHUU gear coupling is a flexible shaft connection, gear coupling that transmits positive torque thanks to rotating toothed shafts, also suitable for effectively compensating shaft misalignment, radial misalignment and angular misalignment. It also known as 'khớp nối răng vỏ thép TNZ ZCHUU".
Thanks to lubrication with high-quality grease with extreme pressure additives, the TNZ ZCHUU's minimal restoring forces are achieved and ensure stable, almost wear-free operation. The unique modular system provides maximum flexibility in assembly.
- The use of special sealing rings allows the temperature limit to be raised to 120 °C.
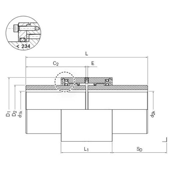
- The inside diameter ranges from 50 mm to 270 mm, allowing for various shaft sizes.
- The overall length varies from 89 mm to 450 mm, providing flexibility in installation spaces.
- The torque capacity ranges from 195,000 Nm to 390,000 Nm, ensuring the coupling can handle high-power applications.
- It can operate at speeds of up to 6,000 rpm, making it suitable for high-speed operations.
Product Specifications of Gear Couplings TNZ ZCHUU
TNZ ZCHUU Catalogue | TNZ ZCHUU Installation Instruction |
![]() | ![]() |
Coupling Model | Torque [Nm] | nmax | Dimension [mm] | Gw | ||||
TKN | TKmax | 1/min | d1k min - max | D1 | D2 | L | [kg] | |
TNZ ZCHUU - 69 | 1750 | 3500 | 6000 | 12 - 50 | 98 | 69 | 209 | 8.2 |
TNZ ZCHUU - 85 | 2750 | 5500 | 4600 | 18 - 60 | 115 | 85 | 225 | 12.3 |
TNZ ZCHUU - 107 | 5500 | 11000 | 4200 | 28 - 75 | 145 | 107 | 241 | 20.9 |
TNZ ZCHUU - 133 | 8500 | 17000 | 4000 | 40 - 95 | 176 | 133 | 291 | 38.1 |
TNZ ZCHUU - 152 | 13500 | 27000 | 3850 | 50 - 110 | 196 | 152 | 307 | 49.6 |
TNZ ZCHUU - 179 | 22000 | 44000 | 3700 | 60 - 130 | 225 | 179 | 334 | 71.1 |
TNZ ZCHUU - 209 | 35000 | 70000 | 3200 | 70 - 155 | 256 | 209 | 384 | 109.4 |
TNZ ZCHUU - 234 | 43000 | 86000 | 2900 | 85 - 170 | 286 | 234 | 440 | 152.9 |
TNZ ZCHUU - 254 | 68000 | 136000 | 2600 | 95 - 190 | 310 | 254 | 514 | 203.2 |
TNZ ZCHUU - 279 | 82000 | 164000 | 2300 | 110 - 210 | 345 | 279 | 518 | 251.1 |
TNZ ZCHUU - 305 | 150000 | 300000 | 2100 | 120 - 230 | 375 | 305 | 518 | 300.4 |
TNZ ZCHUU - 355 | 195000 | 390000 | 1800 | 130 - 270 | 430 | 355 | 506 | 406 |
Why Choose Ringfeder Gear Couplings TNZ ZCHUU?
Ringfeder TNZ ZCHUU gear couplings are renowned for their widespread use across the globe in various sectors of heavy industry. These couplings are specifically engineered to transmit extremely high torques from one shaft to another, making them indispensable in settings that demand robust performance.
Their exceptional design and build quality ensure they excel in particularly heavy-duty applications. For instance, they are commonly used in direct drive systems of conveyors, mixers, mills, and roller tables, where reliability and efficiency are paramount.
As the exclusive representative of Ringfeder Germany in Vietnam
Dai Hong Phat Corp is dedicated to offering premium Ringfeder products and services, showcasing our unwavering commitment to serving Vietnamese customers. As the esteemed authorized representative, we ensure that customers receive genuine Ringfeder products, backed by our professional technical support.
This guarantees optimal performance and application outcomes, providing our customers with the highest level of satisfaction and reliability in their industrial needs. Our focus is on delivering authentic products and expert guidance, making us the trusted choice for Ringfeder solutions in Vietnam.
---------------------------------------------------------------------------------------
Contact Dai Hong Phat Corp today to learn more!!
🌐 Website: https://ringfeder.com.vn/ - https://daihongphat.asia/
📞 Hotline: 0906 955 057 | Zalo: +84906 955 057
📧 Email: info@dhp-corp.com.vn
Facebook Ringfeder Vietnam: https://www.facebook.com/ringfedervietnam/
Facebook Dai Hong Phat Corp: https://www.facebook.com/khopnoitrucdaihongphat
Featured Products
Related Products


