- Home
- Couplings
- Gear Couplings TNZ ZCHU
Key Characteristics of the Gear Couplings TNZ ZCHU
Ringfeder TNZ ZCHU gear couplings are flexible shaft connections, gear couplings that transmit torque actively thanks to rotating toothed shafts, and are also suitable for effectively compensating shaft misalignments, radial misalignments and angular misalignments. It also known as "khớp nối răng vỏ thép TNZ ZCHUU".
Ringfeder TNZ ZCHU thanks to lubrication with high-quality grease with extreme pressure additives, achieves minimal restoring forces and thus ensures reliable, almost wear-free operation. The unique modular system offers the user maximum flexibility in assembling precisely tailored coupling designs – suitable components, such as brake discs or drums and torsion shafts, can be adapted to specific requirements.
- The coupling is designed to be suitable for use at temperatures up to +120°C, providing versatility in high-temperature environments.
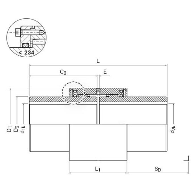
- Elastic O-rings can be replaced without the need to move the coupled machines, making maintenance more convenient.
- It is available with both split steel tubes (ZCA / ZCB) and one-piece steel tubes (ZCH), with the ZCA model range also being available in the ZCB design.
- The coupling supports bores up to 270 mm, ensuring compatibility with various shaft sizes.
- It can handle torque up to TKn = 195,000 Nm and TKmax = 390,000 Nm, making it suitable for high-torque applications.
- Additionally, it can operate at speeds up to nmax = 6,000 rpm, providing high performance in various applications.
Product Specifications of Gear Couplings TNZ ZCHU
TNZ ZCHU Catalogue | TNZ ZCHU Installation Instruction |
![]() | ![]() |
Coupling Model | Torque [Nm] | nmax | Dimension [mm] | Gw | ||||
TKN | TKmax | 1/min | d1k min - max | D1 | D2 | L | [kg] | |
TNZ ZCHU - 69 | 1750 | 3500 | 6000 | 12 - 50 | 98 | 69 | 149 | 6.2 |
TNZ ZCHU - 85 | 2750 | 5500 | 4600 | 18 - 60 | 115 | 85 | 164 | 9.6 |
TNZ ZCHU - 107 | 5500 | 11000 | 4200 | 28 - 75 | 145 | 107 | 184 | 17.1 |
TNZ ZCHU - 133 | 8500 | 17000 | 4000 | 40 - 95 | 176 | 133 | 225 | 31.3 |
TNZ ZCHU - 152 | 13500 | 27000 | 3850 | 50 - 110 | 196 | 152 | 246 | 41.7 |
TNZ ZCHU - 179 | 22000 | 44000 | 3700 | 60 - 130 | 225 | 179 | 275 | 60.8 |
TNZ ZCHU - 209 | 35000 | 70000 | 3200 | 70 - 155 | 356 | 209 | 315 | 92.6 |
TNZ ZCHU - 234 | 43000 | 86000 | 2900 | 85 - 170 | 286 | 234 | 359 | 128.8 |
TNZ ZCHU - 254 | 68000 | 136000 | 2600 | 95 - 190 | 310 | 254 | 411 | 167.4 |
TNZ ZCHU - 279 | 82000 | 164000 | 2300 | 110 - 210 | 345 | 279 | 438 | 218.3 |
TNZ ZCHU - 305 | 150000 | 300000 | 2100 | 120 - 230 | 375 | 305 | 453 | 268.5 |
TNZ ZCHU - 355 | 195000 | 390000 | 1800 | 130 - 270 | 430 | 355 | 478 | 387 |
Why Choose Ringfeder Gear Couplings TNZ ZCHU?
The Ringfeder TNZ ZCHU gear coupling is a highly versatile and flexible shaft connection designed to transmit positive torque through its rotating toothed shafts. This gear coupling excels not only in its ability to transmit torque efficiently but also in effectively compensating for various types of misalignments.
It can handle shaft misalignment, radial misalignment, and angular misalignment, making it an ideal solution for applications where precision and reliability are crucial. Its robust design ensures long-lasting performance, even under demanding industrial conditions, providing both flexibility and strength in one comprehensive package.
An authorized representative of Ringfeder Germany in Vietnam.
As the exclusive representative, Dai Hong Phat Corp is dedicated to delivering premium Ringfeder products and services, highlighting our strong commitment to serving the Vietnamese community.
This esteemed authorization guarantees that customers receive authentic Ringfeder products, backed by expert technical support to ensure optimal performance and application success.
---------------------------------------------------------------------------------------
Contact Dai Hong Phat Corp today to learn more!!
🌐 Website: https://ringfeder.com.vn/ - https://daihongphat.asia/
📞 Hotline: 0906 955 057 | Zalo: +84906 955 057
📧 Email: info@dhp-corp.com.vn
Facebook Ringfeder Vietnam: https://www.facebook.com/ringfedervietnam/
Facebook Dai Hong Phat Corp: https://www.facebook.com/khopnoitrucdaihongphat
Featured Products
Related Products


