- Home
- Couplings
- Elastomer Jaw Couplings TNS SV
Key Characteristics of the Elastomer Jaw Couplings TNS SV
The Ringfeder TNS SV Elastomer Jaw Couplings - a torsionally flexible, fail-safe claw coupling, ideal for hydrodynamic couplings, also has Vietnamese name "khớp nối trục TNS SV".
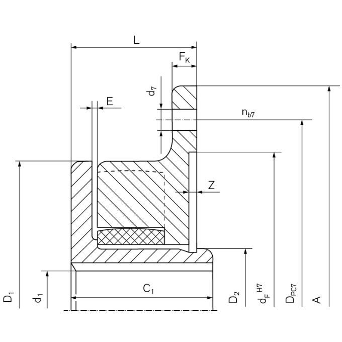
It compensates for angular, radial, and axial shaft misalignments within defined limits and transfers torque through elastic buffers of synthetic rubber (Pb) or polyurethane (VkR). The oil-resistant elastic intermediate ring cushions impacts and torsional vibrations. Perbunan intermediate rings are electrically conductive.
- The coupling is available in 12 different sizes, ensuring compatibility with a wide range of machinery and applications.
- Both d1 and d2 range from 27 to 160 mm, allowing the coupling to fit various shaft sizes efficiently.
- Outer Diameter: D1 ranges from 105 to 400 mm, indicating a substantial outer size range to suit different equipment dimensions.
- Overall Length: The length ranges from 42 to 125 mm, offering flexibility in fitting into spaces with varying dimensions.
- Maximum Rotational Speed: The coupling can operate at speeds ranging from 1,900 to 7,250 RPM, making it suitable for both moderate and high-speed applications.
- Torque Capacity: With a torque range of TKN from 70 to 4,750 Nm, the coupling can handle a wide spectrum of torque loads, accommodating both light and heavy-duty operations
Learn more about: Application of Elastomer Jaw Couplings
Product Specifications of TNS SV Elastomer Jaw Coupling
| TNS SV Catalogue | TNS SV Installation Instruction |
| | |

| Identifier | Size Coupling | TKN | nmax | Dimensions [mm] | Gwub | |||
| TNS SV | Nm | 1/min | d1kmax | D1 | D2 | L | [kg] | |
| WS1410 | TNS SV - 100 | 70 | 7250 | 27 | 105 | 38 | 42 | 1,7 |
| WS1412 | TNS SV - 125 | 128 | 6000 | 34 | 126 | 48 | 47 | 2,8 |
| WS1414 | TNS SV - 145 | 220 | 5250 | 42 | 145 | 60 | 55 | 4,3 |
| WS1417 | TNS SV - 170 | 340 | 4500 | 58 | 170 | 82 | 60 | 6,8 |
| WS1420 | TNS SV - 200 | 590 | 3750 | 65 | 200 | 95 | 65 | 10,4 |
| WS1423 | TNS SV - 230 | 900 | 3250 | 70 | 230 | 102 | 70 | 13,4 |
| WS1426 | TNS SV - 260 | 1400 | 3000 | 90 | 260 | 130 | 85,5 | 22,8 |
| WS1430 | TNS SV - 300 | 2090 | 2500 | 105 | 300 | 147 | 100 | 36,2 |
| WS1436-0650 | TNS SV - 360 | 3450 | 2150 | 140 | 360 | 210 | 123 | 71,4 |
| WS1436-0750 | TNS SV - 360 | 3450 | 2150 | 140 | 360 | 210 | 125 | 75,4 |
| WS1440 | TNS SV - 400 | 4750 | 1900 | 160 | 400 | 230 | 125 | 94,4 |
| WS1440-0866 | TNS SV - 400 | 4750 | 1900 | 160 | 400 | 230 | 125 | 99,5 |
Why Choose Ringfeder Elastomer Jaw Couplings TNS SV?
Ringfeder TNS SV couplings: this versatile quality is optimally used, for example as drive components in many types of construction machinery as well as in steel, mining and cement plant technology, as well as connecting components in overhead cranes, containers and foundries.
Dai Hong Phat Corp specializes in supplying Ringfeder Elastomer Jaw Coupling TNS SV products across Vietnam.
We ensure that our couplings are 100% genuine, brand new, and come with certificates and clear origins.
With 15 years of industry experience, Dai Hong Phat Corp is dedicated to providing high-quality Ringfeder TNS SV couplings at competitive prices. We maintain a substantial inventory to ensure goods are available in large quantities.
---------------------------------------------------------------------------------------
Contact Dai Hong Phat Corp today to learn more!!
Website: https://ringfeder.com.vn/ - https://daihongphat.asia/
Hotline: 0906 955 057 | Zalo: +84906 955 057
Email: info@dhp-corp.com.vn
Facebook Ringfeder Vietnam: https://www.facebook.com/ringfedervietnam/
Facebook Dai Hong Phat Corp: https://www.facebook.com/khopnoitrucdaihongphat
Featured Products
Related Products
Elastomer Jaw Couplings GWE 5102
0₫
- 9 Sizes
- Bore Diameter d: 2-48 mm
- Outer Diameter D: 10-80 mm
- Overall Length L: 15-114 mm
- Rot. Speed nmax: 5.900-47.500 1/min
- Torque T: 0.5-190 Nm
Elastomer Jaw Couplings GWE 5103.1
0₫
- 3 Sizes
- Bore Diameter d: 2-11 mm
- Rot. Speed nmax: 19.000-38.000 1/min
- Outer Diameter D: 10-20 mm
- Overall Length L: 15-30 mm
- Torque T: 0.5-3 Nm
Elastomer Jaw Couplings GWE 5104
0₫
- 10 Sizes
- Bore Diameter d: 5-95 mm
- Outer Diameter D: 30-160 mm
- Overall Length L: 35-210 mm
- Rot. Speed nmax: 2350-13000 1/min
- Torque T: 4.8-1920 Nm
Elastomer Jaw Couplings GWE 5106
0₫
- 10 Sizes
- Bore Diameter d: 5-95 mm
- Outer Diameter D: 30-160 mm
- Overall Length L: 35-210 mm
- Rot. Speed nmax: 2.350-13.000 1/min
- Torque T: 3.7-1920 Nm
