- Home
- Couplings
- Elastomer Jaw Couplings TNM LG
Main Characteristics of The Elastomer Jaw Couplings TNM LG
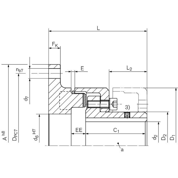
The Ringfeder TNM LG elastomer jaw couplings are torsionally flexible and puncture-proof claw couplings, designed to compensate for angular, radial, and axial shaft misalignments within defined limits, also known as "khớp nối trục TNM LG".
One coupling half consists of two parts, allowing easy separation of the coupled machines, checking of the rotation direction after retracting the claw ring, and radial removal of a coupling half.
- Suitable for temperatures from –30°C to +100°C
- Bores up to max. 260 mm
- Torques up to TKn = 41,000 Nm / TKmax = 97,500 Nm
- Speeds up to nmax = 5,000 rpm
Learn more article: The Role of Elastomer Jaw Couplings in Modern Machinery
Product Specifications of TNM LG Elastomer Jaw Coupling
| TNM LG Catalogue | TNM LG Installation Instruction |
| | |

| Identifier | Size Coupling | TKN [Nm] | nmax | Dimensions [mm] | Gwub | ||||
| TNM LG | Pb72 | Pb82 | 1/min | d1kMax | D1 | D2 | L | [kg] | |
| WN0908-120 | TNM LG - 82 | 48 | 75 | 5000 | 32 | 82 | 44,5 | 68 | 1,8 |
| WN0909-144 | TNM LG - 97 | 96 | 150 | 5000 | 39 | 97 | 54,5 | 83 | 2,9 |
| WN0911-158 | TNM LG - 112 | 150 | 230 | 5000 | 46 | 112 | 64,5 | 95 | 4,4 |
| WN0912-180 | TNM LG - 128 | 250 | 380 | 5000 | 53 | 128 | 74,5 | 109 | 6,7 |
| WN0914-200 | TNM LG - 148 | 390 | 600 | 4500 | 65 | 148 | 92,5 | 124 | 9,8 |
| WN0916-220 | TNM LG - 168 | 630 | 980 | 4000 | 75 | 168 | 104,5 | 142 | 14 |
| WN0919-248 | TNM LG - 194 | 1050 | 1650 | 3500 | 85 | 194 | 121,5 | 159 | 21 |
| WN0921-274 | TNM LG - 214 | 1500 | 2400 | 3000 | 95 | 214 | 135,5 | 175 | 27,9 |
| WN0924-314 | TNM LG - 240 | 2400 | 3700 | 2750 | 100 | 240 | 146 | 192 | 37,6 |
| WN0926-344 | TNM LG - 265 | 3700 | 5800 | 2500 | 115 | 265 | 164 | 220 | 53,4 |
| WN0929-380 | TNM LG - 295 | 4900 | 7550 | 2250 | 130 | 295 | 181 | 236 | 70,2 |
| WN0933-430 | TNM LG - 330 | 6400 | 9900 | 2000 | 135 | 330 | 208 | 252 | 91,7 |
| WN0937-480 | TNM LG - 370 | 8900 | 14000 | 1750 | 160 | 370 | 241 | 281 | 126 |
| WN0941-575 | TNM LG - 415 | 13200 | 20500 | 1500 | 180 | 415 | 275 | 306 | 183,9 |
| WN0948-615 | TNM LG - 480 | 1800 | 28000 | 1400 | 200 | 480 | 289 | 330 | 244,7 |
| WN0957-692 | TNM LG - 575 | 27000 | 41000 | 1200 | 260 | 575 | 368 | 350 | 370,1 |
Why Choose Ringfeder Elastomer Jaw Couplings TNM LG?
Dai Hong Phat Corp is a leading specialist in supplying all Ringfeder Flexible Coupling TNM LG products throughout Vietnam.
We guarantee that our couplings are 100% genuine, brand new, and come with certificates and clear origins.
With 15 years of industry experience, Dai Hong Phat Corp is committed to offering authentic, high-quality Ringfeder TNM LG couplings at competitive prices. Additionally, we maintain a substantial inventory to ensure that goods are readily available in large quantities.
---------------------------------------------------------------------------------------
Contact Dai Hong Phat Corp today to learn more!!
Website: https://ringfeder.com.vn/ - https://daihongphat.asia/
Hotline: 0906 955 057 | Zalo: +84906 955 057
Email: info@dhp-corp.com.vn
Facebook Ringfeder Vietnam: https://www.facebook.com/ringfedervietnam/
Facebook Dai Hong Phat Corp: https://www.facebook.com/khopnoitrucdaihongphat
Featured Products
Related Products
Elastomer Jaw Couplings GWE 5102
0₫
- 9 Sizes
- Bore Diameter d: 2-48 mm
- Outer Diameter D: 10-80 mm
- Overall Length L: 15-114 mm
- Rot. Speed nmax: 5.900-47.500 1/min
- Torque T: 0.5-190 Nm
Elastomer Jaw Couplings GWE 5103.1
0₫
- 3 Sizes
- Bore Diameter d: 2-11 mm
- Rot. Speed nmax: 19.000-38.000 1/min
- Outer Diameter D: 10-20 mm
- Overall Length L: 15-30 mm
- Torque T: 0.5-3 Nm
Elastomer Jaw Couplings GWE 5104
0₫
- 10 Sizes
- Bore Diameter d: 5-95 mm
- Outer Diameter D: 30-160 mm
- Overall Length L: 35-210 mm
- Rot. Speed nmax: 2350-13000 1/min
- Torque T: 4.8-1920 Nm
Elastomer Jaw Couplings GWE 5106
0₫
- 10 Sizes
- Bore Diameter d: 5-95 mm
- Outer Diameter D: 30-160 mm
- Overall Length L: 35-210 mm
- Rot. Speed nmax: 2.350-13.000 1/min
- Torque T: 3.7-1920 Nm
