- Home
- Couplings
- Elastomer Jaw Couplings TNB BHD-BS
Key Characteristics of the Elastomer Jaw Couplings TNB BHD-BS
The Ringfeder TNB BHD-BS elastomer jaw coupling is a torsionally flexible, puncture-proof claw coupling that compensates for angular, radial, and axial shaft misalignments within defined limits. It also as known "khớp nối trục TNB BHD-BS".
It transmits torque through elastic buffers loaded in compression, available in synthetic rubber (PB) or polyurethane (VkR).
These elastic buffers dampen shocks and torsional vibrations and are oil-resistant. Buffers made of Perbunan are electrically conductive. The claw ring can be removed to easily check the rotational direction of the drive.
This coupling is suitable for use in any rotational direction and installation position.
- The TNB BHD-BS coupling is torsionally flexible, allowing it to compensate for angular, radial, and axial shaft misalignments.
- The buffers are loaded in compression, providing robust performance. These buffers can be replaced radially without the need to move the coupled machines, simplifying maintenance procedures.
- Elastomers are available in various shore hardness degrees, offering customization to specific needs.
- The coupling is suitable for temperatures ranging from –30°C to +100°C, making it versatile for different environmental conditions.
- It features an outer diameter of up to 900 mm and supports bores up to a maximum of 400 mm, accommodating a variety of shaft sizes.
- It can handle torques up to TKn = 260,000 Nm and TKmax = 780,000 Nm, suitable for a wide range of applications.
- The coupling operates at speeds up to nmax = 4,100 rpm, making it ideal for both moderate and high-speed operations.
>>> Learn more about The role of Elastomer Jaw Couplings in modern machinery
Product Specifications of TNB BHD-BS Elastomer Jaw Couplings
TNB BHD-BS Catalogue | TNB BHD-BS Installation Instruction |
![]() | ![]() |
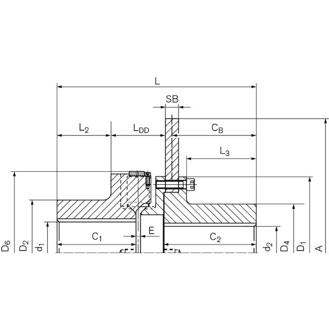
Identifier | Size Coupling | TKN | nmax | Dimenssions [mm] | Gwub | ||||
TNB BHD-BS | Nm | 1/min | d1 max | d2 max | D1 | D2 | L | [kg] | |
WB0730-0630 | TNB BHD-BS 300 | 6000 | 2700 | 135 | 135 | 300 | 210 | 440 | 193 |
WB0735-0710 | TNB BHD-BS 350 | 10500 | 2400 | 160 | 170 | 350 | 240 | 505 | 284 |
WB0740-0800 | TNB BHD-BS 400 | 16000 | 2150 | 180 | 190 | 400 | 270 | 538 | 383 |
WB0745-0800 | TNB BHD-BS 450 | 21000 | 2150 | 200 | 205 | 450 | 300 | 558 | 440 |
WB0750-0900 | TNB BHD-BS 500 | 28500 | 1900 | 220 | 225 | 500 | 330 | 628,5 | 601 |
WB0755-0900 | TNB BHD-BS 550 | 45000 | 1800 | 240 | 240 | 550 | 350 | 648,5 | 684 |
WB0760-1000 | TNB BHD-BS 600 | 55000 | 1650 | 250 | 265 | 600 | 375 | 675 | 857 |
WB0765-1000 | TNB BHD-BS 650 | 65000 | 1500 | 260 | 265 | 650 | 400 | 708,5 | 951 |
WB0770-1200 | TNB BHD-BS 700 | 90000 | 1400 | 300 | 310 | 700 | 450 | 804 | 1370 |
WB0780-1400 | TNB BHD-BS 800 | 120000 | 1200 | 330 | 340 | 800 | 490 | 854 | 1788 |
WB0790-1500 | TNB BHD-BS 900 | 180000 | 1100 | 360 | 400 | 900 | 540 | 944 | 2458 |
Why Choose Ringfeder Elastomer Jaw Couplings TNB BHD-BS?
This coupling has a three-part design, featuring a brake disk and VkR buffer. It facilitates easy replacement of the elastic buffer without requiring axial movement of the coupled machines.
Ringfeder TNB BHD-BS couplings are globally recognized for their durability and superior functionality, making them ideal for demanding heavy industrial applications. They deliver maximum performance for machinery and plants, and are particularly favored in steel mills, cement mills, and in mining and construction machinery such as excavators, shredders, and tunnel boring machines. Additionally, they are widely used in offshore technology.
Dai Hong Phat Corp proudly serves as the authorized representative of Ringfeder Germany in Vietnam.
This esteemed partnership emphasizes their dedication to offering high-quality Ringfeder products and services throughout the region.
With this authorization, Dai Hong Phat Corp guarantees that customers in Vietnam receive genuine Ringfeder products, supported by expert technical assistance for optimal application and performance.
---------------------------------------------------------------------------------------
Contact Dai Hong Phat Corp today to learn more!!
🌐 Website: https://ringfeder.com.vn/ - https://daihongphat.asia/
📞 Hotline: 0906 955 057 | Zalo: +84906 955 057
📧 Email: info@dhp-corp.com.vn
Facebook Ringfeder Vietnam: https://www.facebook.com/ringfedervietnam/
Facebook Dai Hong Phat Corp: https://www.facebook.com/khopnoitrucdaihongphat
Featured Products
Related Products

