- Home
- Couplings
- Elastomer Jaw Couplings GWE Z5104.1
Main Characteristics of The Elastomer Jaw Couplings GWE Z5104.1
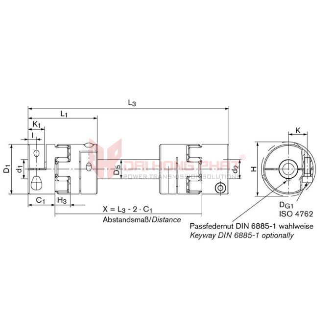
The GWE Z5104.1 series features a self-aligning coupling with clamping hubs, designed to bridge large shaft spacings, also as known "khớp nối servo GWE Z5104.1". This backlash-free jaw coupling is torsionally flexible and is ideal for applications where torque or rotation need to be transmitted with high angular precision over significant distances. It consists of two Ringfeder GWE 5104 units, connected by a precision steel hollow shaft. The shaft tolerance should lie within the fit tolerance range of ‘g6’ to ‘h7’.
- 7 Sizes: Provides a variety of options, ensuring flexibility for different applications and needs.
- Bore Diameter (d): 5-60 mm, accommodates a wide range of shaft sizes, enhancing versatility in various mechanical systems.
- Outer Diameter (D): 30-105 mm, suitable for diverse hub sizes, ensuring compatibility with multiple applications.
- Coupling Length (L1): 35-140 mm, offers different length options to meet specific requirements, contributing to stable and secure connections.
- Line Shaft Length (L3): 80-2,000 mm, capable of bridging large shaft separations, making it ideal for applications that require significant distances between shafts.
- Torque (T): 4.8-525 Nm, capable of handling torque values from low to moderately high, making it suitable for various industrial applications requiring precise force transmission.
>>> Learn more about Application of Elastomer Jaw Couplings
Elastomer Jaw Couplings GWE Z5104.1's product specifications
GWE Z5104.1 Catalogue | GWE Z5104.1 Installation Instruction |
![]() | ![]() |
Coupling Model | Dimensions [mm] | T | ||||
d1 | d2 | D1 | D5 | L3 min-max | [Nm] | |
GWE Z5104.1-14 | 5 | 16 | 30 | 16 | 80 - 2000 | 12,5 |
GWE Z5104.1-19 | 6 | 20 | 40 | 20 | 135 - 2000 | 17 |
GWE Z5104.1-24 | 10 | 32 | 55 | 25 | 160 - 2000 | 60 |
GWE Z5104.1-28 | 10 | 38 | 65 | 30 | 185 - 2000 | 160 |
GWE Z5104.1-38 | 12 | 48 | 80 | 40 | 230 - 2000 | 325 |
GWE Z5104.1-42 | 14 | 54 | 95 | 40 | 255 - 2000 | 450 |
GWE Z5104.1-48 | 15 | 60 | 105 | 50 | 290 - 2000 | 525 |
Why Choose Ringfeder Elastomer Jaw Couplings GWE Z5104.1?
Backlash-free Ringfeder GWE Z5104.1 are ideal for engineering applications that demand high positioning precision and vibration damping in rapidly accelerated processes. They are particularly preferred for their efficient plug-in coupling solutions.
The GWE Z5104.1 is a backlash-free coupling through pre-stressing, featuring a pluggable design, vibration damping, torque capacity from 0.5 to 650 Nm, and compensation for radial, axial, and angular misalignment, while being electrically isolating.
Dai Hong Phat Corp is a leading specialist in providing all Ringfeder Servo Coupling GWE Z5104.1 products across Vietnam.
Dai Hong Phat Corp ensures that the couplings customers are interested in are 100% genuine, of new quality, with certificates and clear origin.
With 15 years of experience in the industry, Dai Hong Phat Corp is dedicated to providing authentic, high-quality Ringfeder GWE Z5104.1 Elastomer Jaw Couplings at the most competitive prices. Moreover, we maintain a substantial inventory, ensuring that goods are available in large quantities.
---------------------------------------------------------------------------------------
Contact Dai Hong Phat Corp today to learn more!!
🌐 Website: https://ringfeder.com.vn/ - https://daihongphat.asia/
📞 Hotline: 0906 955 057 | Zalo: +84906 955 057
📧 Email: info@dhp-corp.com.vn
Facebook Ringfeder Vietnam: https://www.facebook.com/ringfedervietnam/
Facebook Dai Hong Phat Corp: https://www.facebook.com/khopnoitrucdaihongphat
Featured Products
Related Products

